Diagram Sections: 115CETOL (1998)
Download as PDF-
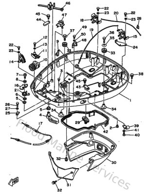
Bottom Cowling
-
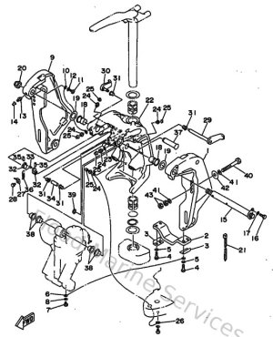
Bracket 1
-
Bracket 2
-
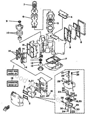
Carburetor
-
Controller 1
-
Crankshaft & Piston
-
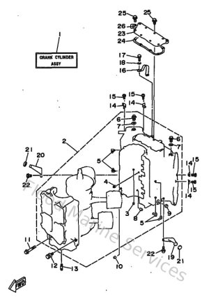
Cylinder & Crankcase 1
-
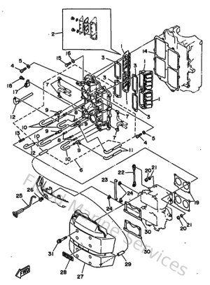
Cylinder & Crankcase 2
-
Demarreur Electrique
-
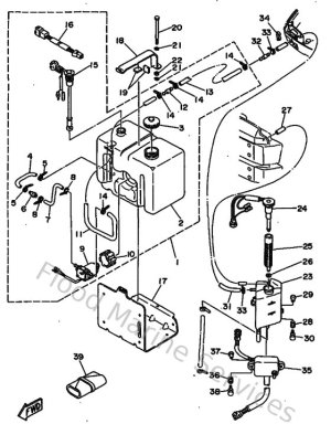
Fuel
-
Generatrice
-
Intake
-
Kits De Reparation 1
-
Kits De Reparation 2
-
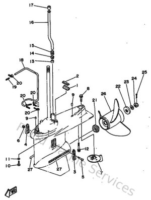
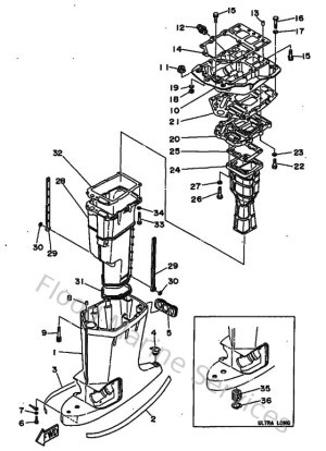
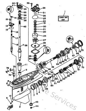
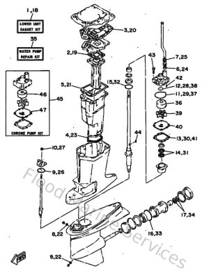
Lower Casing & Drive
-
Oil Pump
-
Oil Tank
-
Optionnelles 1
-
Optionnelles 2
-
Partie Electrique 1
-
Partie Electrique 2
-
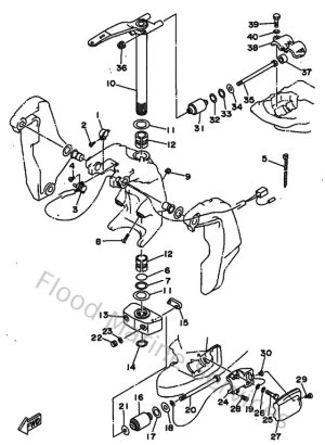
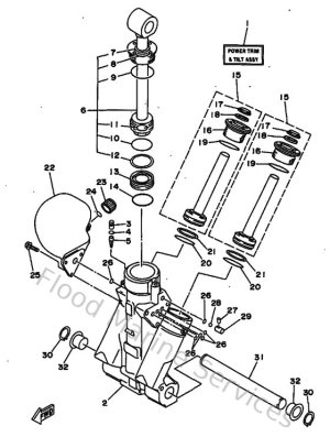
Power Trim & Tilt Assy
-
Power Trim & Tilt Assy 2
-
Top Cowling
-
Upper Casing