Diagram Sections: 130BETOL (1998)
Download as PDF-
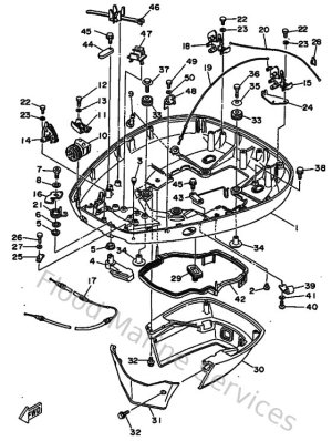
Bottom Cowling
-
Bracket 1
-
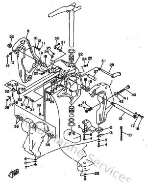
Bracket 2
-
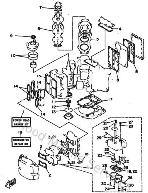
Carburetor
-
Controller 1
-
Crankshaft & Piston
-
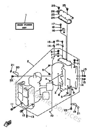
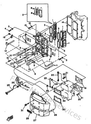
Cylinder & Crankcase 1
-
Cylinder & Crankcase 2
-
Demarreur Electrique
-
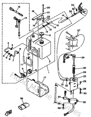
Fuel
-
Generatrice
-
Intake
-
Kits De Reparation 1
-
Kits De Reparation 2
-
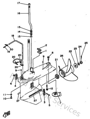
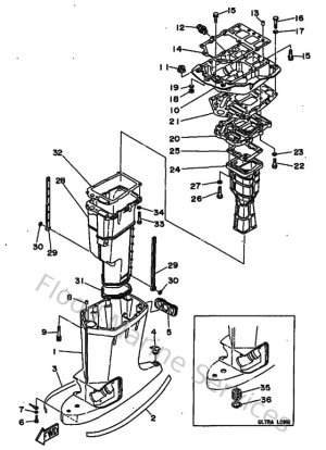
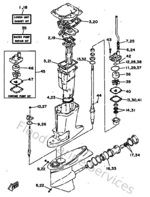
Lower Casing & Drive
-
Oil Pump
-
Oil Tank
-
Optionnelles 1
-
Optionnelles 2
-
Partie Electrique 1
-
Partie Electrique 2
-
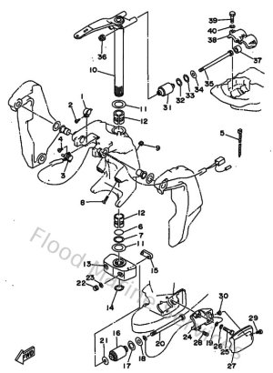
Power Trim & Tilt Assy
-
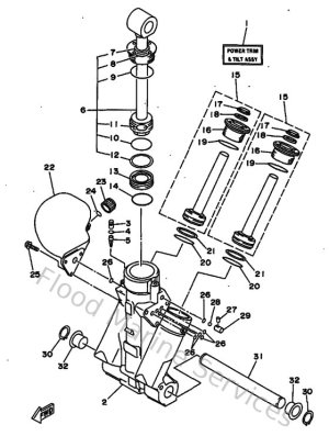
Power Trim & Tilt Assy 2
-
Top Cowling
-
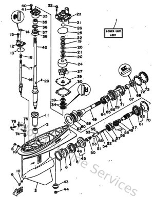
Upper Casing
Warning: file_put_contents(/home/yamahadiagrams/public_html/uploads/pdf_images/2554/6/index.php): Failed to open stream: No such file or directory in /home/yamahadiagrams/public_html/engine-sections.php on line 194