Diagram Sections: 140AETOL (1996)
Download as PDF-
Bottom Cowling
-
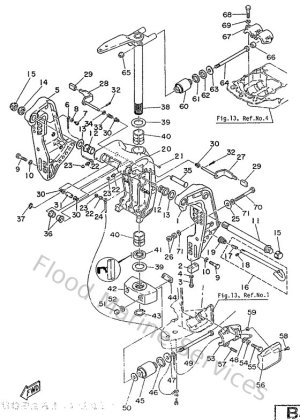
Bracket 1
-
Bracket 2 (MANUAL TILT MODEL)
-
C.d.i. Magneto
-
Carburetor
-
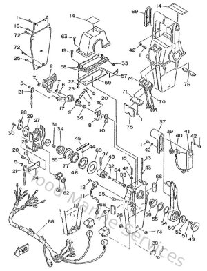
Control
-
Crankcase & Cylinder
-
Crankshaft & Piston
-
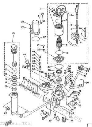
Electric Motor
-
Electric Parts 1
-
Electric Parts 2
-
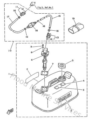
Fuel 1
-
Fuel 2
-
Intake
-
Lower & Drive 1
-
Lower & Drive 2
-
Oil Pump
-
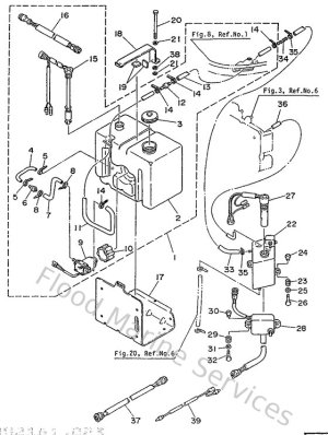
Oil Tank
-
Optional Parts 1
-
Optional Parts 2
-
Optional Parts 3
-
Optional Parts 4
-
Optional Parts 5
-
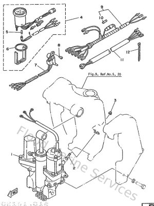
Power Trim & Tilt
-
Power Trim & Tilt Assy
-
Remote Control
-
Remote Control Assy 1 (703 TYPE)
-
Remote Control Assy 2 (704 TYPE)
-
Repair Kit
-
Steering Guide Attachment
-
Top Cowling
-
Upper Casing