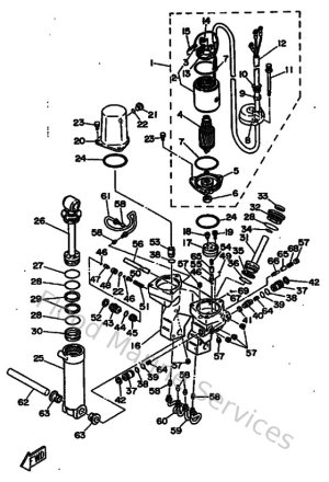
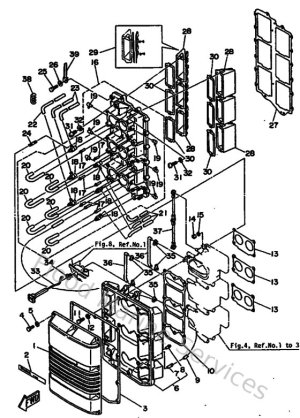
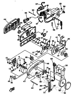
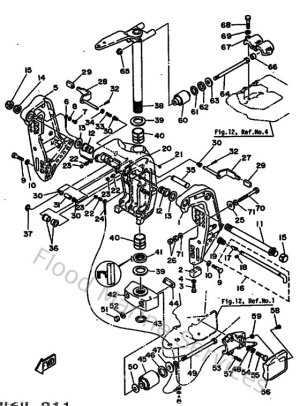
Diagram Sections: 150AETOL (1985)

Download as PDF