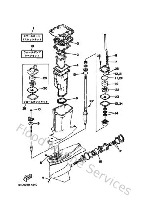
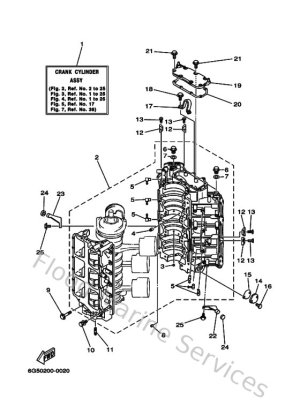
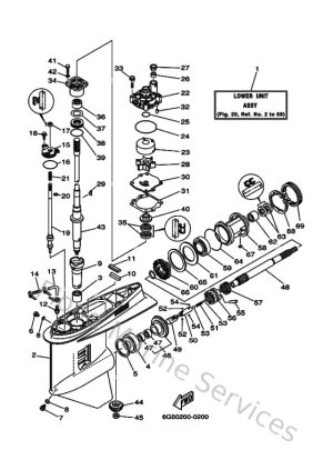
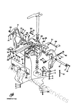
Diagram Sections: 150AETOL (2000)

Download as PDF