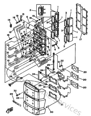
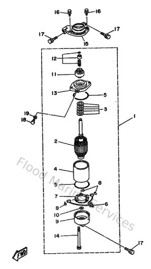
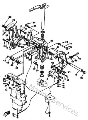
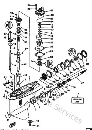
Diagram Sections: 150CETOL (1994)

Download as PDF