Diagram Sections: 150TRB (2003)
Download as PDF-
BOTTOM COWLING
-
BRACKET 1
-
BRACKET 2
-
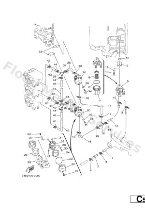
CARBURETOR
-
CONTROL
-
CRANKSHAFT. PISTON
-
CYLINDER. CRANKCASE 1
-
CYLINDER. CRANKCASE 2
-
ELECTRICAL 1
-
ELECTRICAL 2
-
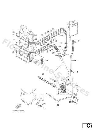
FUEL 1
-
FUEL 2
-
FUEL TANK
-
GENERATOR
-
INTAKE
-
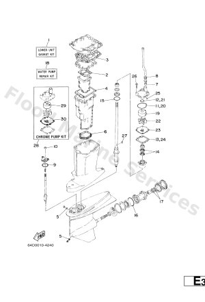
LOWER CASING. DRIVE 1
-
LOWER CASING. DRIVE 2
-
LOWER CASING. DRIVE 3
-
LOWER CASING. DRIVE 4
-
METER
-
OIL PUMP
-
OIL TANK
-
POWER TRIM & TILT ASSY 1
-
POWER TRIM & TILT ASSY 2
-
REMOTE CONTROL ASSY 1
-
REMOTE CONTROL ASSY 2
-
REMOTE CONTROL BOX
-
REPAIR KIT 1
-
REPAIR KIT 2
-
STARTING MOTOR
-
STEERING GUIDE ATTACHMENT 1
-
STEERING GUIDE ATTACHMENT 2
-
SWITCH. PANEL
-
TOP COWLING
-
UPPER CASING