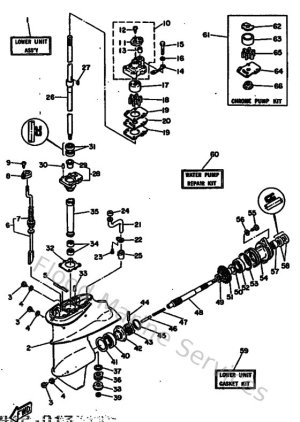
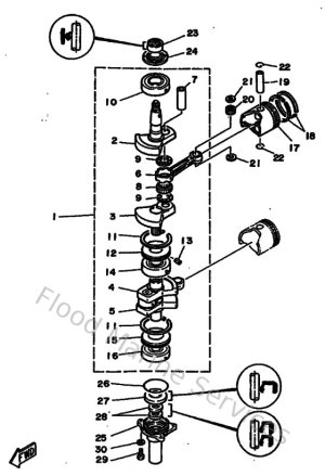
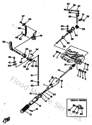
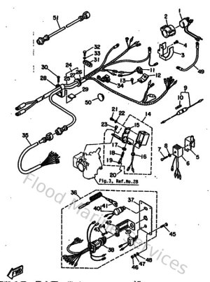
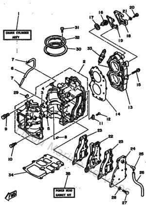
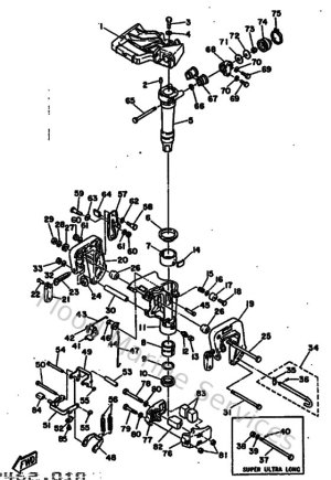
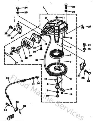
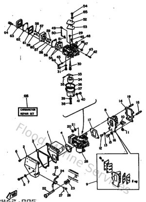
Diagram Sections: 15DWH (1985)

Download as PDF