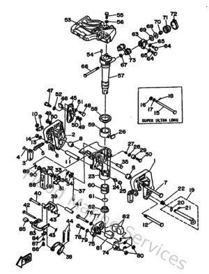
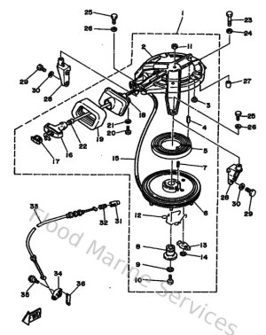
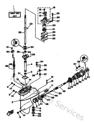
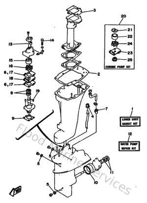
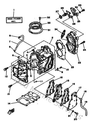
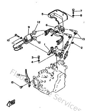
Diagram Sections: 15DWH (1989)

Download as PDF