Diagram Sections: 15DWH (1993)
Download as PDF-
Alternate 1
-
Alternate 2
-
Alternate 3
-
Bottom Cowling
-
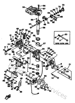
Bracket 1
-
Control 1
-
Crankshaft & Piston
-
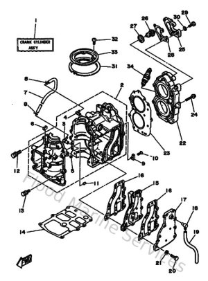
Cylinder & Crankcase
-
Electric Parts
-
Fuel
-
Generator
-
Intake
-
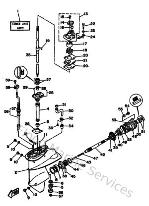
Lower Casing & Drive 1
-
Lower Casing & Drive 2
-
Optional Parts 1
-
Optional Parts 2
-
Optional Parts 3
-
Remote Control
-
Remote Control Assy 1
-
Repair Kit 1
-
Repair Kit 2
-
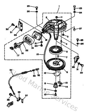
Starter
-
Top Cowling
-
Upper Casing