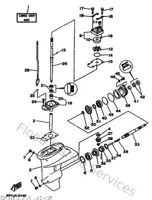
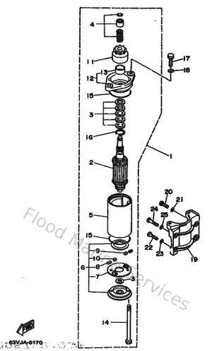
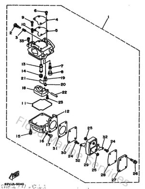
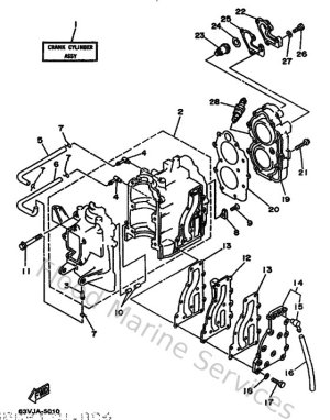
Diagram Sections: 15FWH (1995)

Download as PDF