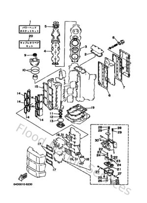
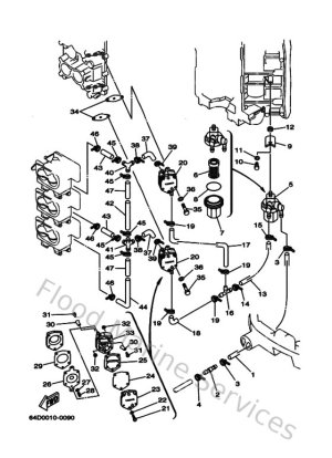
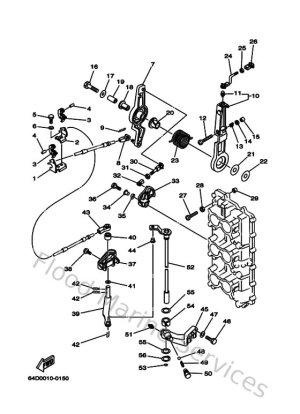
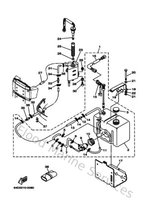
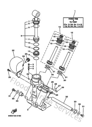
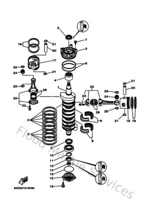
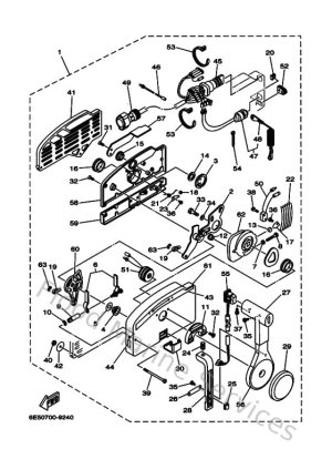
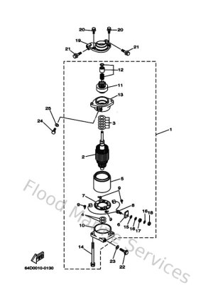
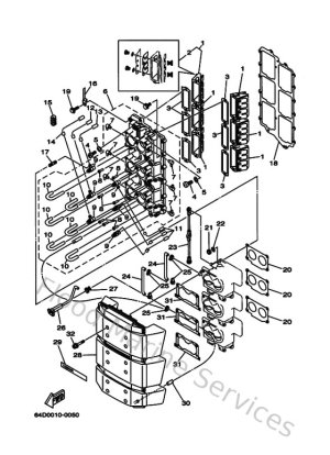
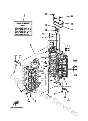
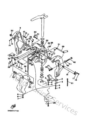
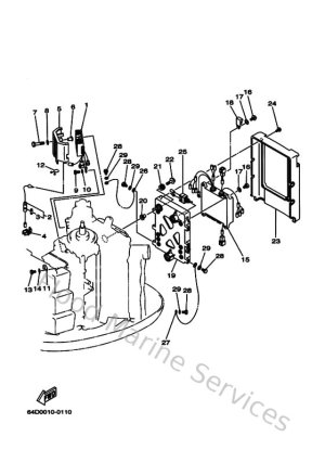
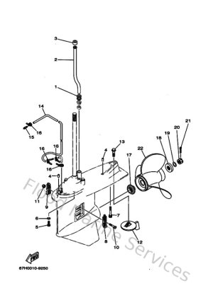
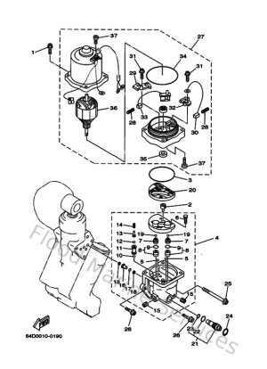
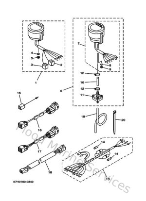
Diagram Sections: 175DETOL (2000)

Download as PDF