Diagram Sections: 200AETOL (1989)
Download as PDF-
Bottom Cowling
-
Bracket
-
Carburetor
-
Control
-
Crankshaft & Piston
-
Cylinder & Crankcase
-
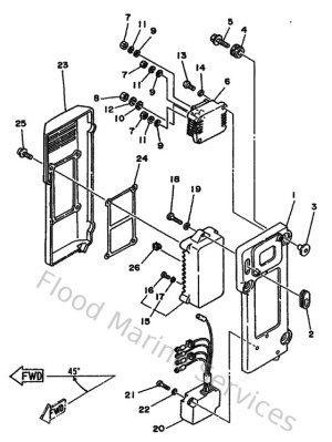
Electrical 1
-
Electrical 2
-
Fuel
-
Fuel 2
-
Intake
-
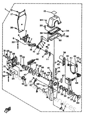
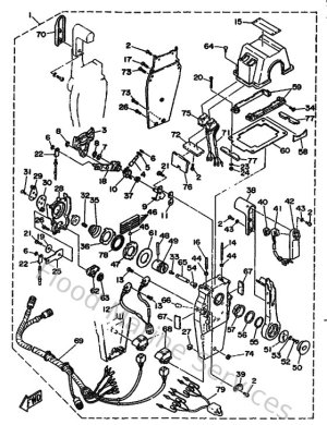
Lower Casing & Drive 1
-
Lower Casing & Drive 2
-
Magneto
-
Oil Pump
-
Oil Tank
-
Optional Parts
-
Optional Parts 1
-
Optional Parts 2
-
Optional Parts 3
-
Optional Parts 4
-
Optional Parts 5
-
Optional Parts 6
-
Power Tilt Body Assy
-
Power Trim & Tilt Assy
-
Remote Control
-
Remote Control Assy 1
-
Remote Control Assy 2
-
Remote Control Assy 3
-
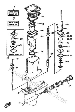
Repair Kit 1
-
Repair Kit 2
-
Starting Motor
-
Steering Guide
-
Top Cowling
-
Upper Casing