Diagram Sections: 200BETOL (1990)
Download as PDF-
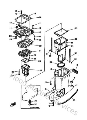
Bottom Cowling
-
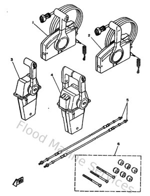
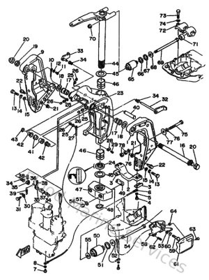
Bracket 1
-
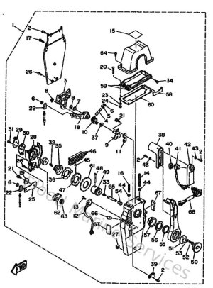
Bracket 2
-
Carburetor
-
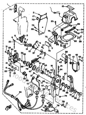
Control
-
Crankshaft & Piston
-
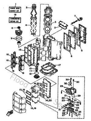
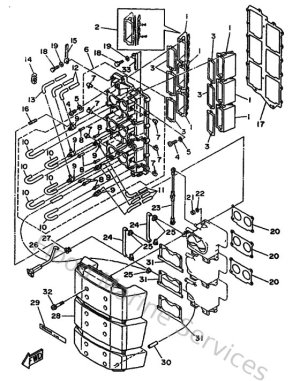
Cylinder & Crankcase
-
Electrical 1
-
Electrical 2
-
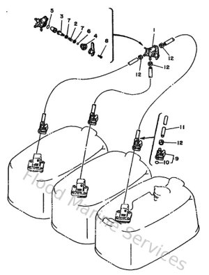
Fuel 1
-
Fuel 2
-
Intake
-
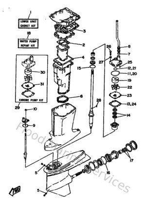
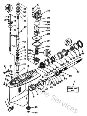
Lower Casing & Drive 1
-
Lower Casing & Drive 2
-
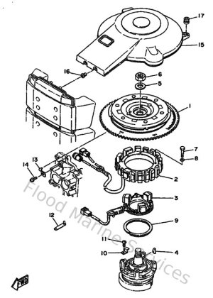
Magneto
-
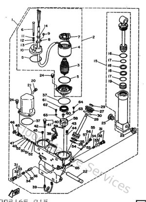
Oil Pump
-
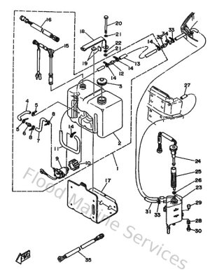
Oil Tank
-
Optional Parts
-
Optional Parts 1
-
Optional Parts 2
-
Optional Parts 3
-
Optional Parts 4
-
Optional Parts 5
-
Optional Parts 6
-
Power Trim & Tilt Assy
-
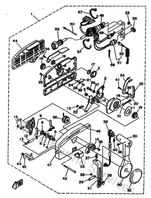
Remote Control
-
Remote Control Assy 1
-
Remote Control Assy 2
-
Remote Control Assy 3
-
Repair Kit 1
-
Repair Kit 2
-
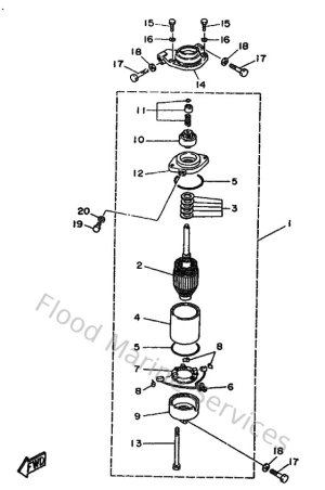
Starting Motor
-
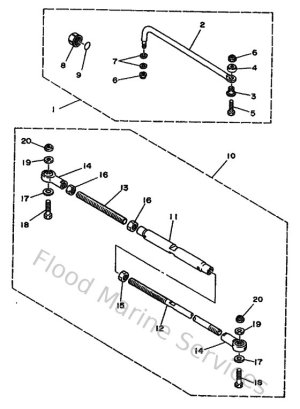
Steering Guide
-
Top Cowling
-
Upper Casing