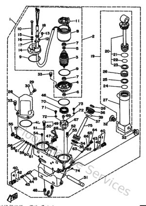
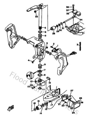
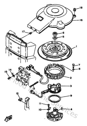
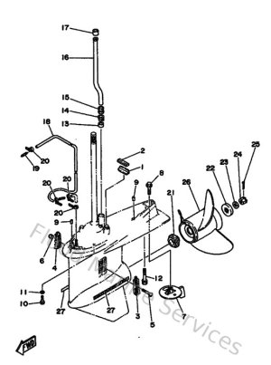
Diagram Sections: 200BETOL (1995)

Download as PDF