Diagram Sections: 200FETO (2007)
Download as PDF-
BOTTOM COWLING
-
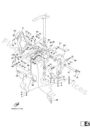
BRACKET 1
-
BRACKET 2
-
CARBURETOR
-
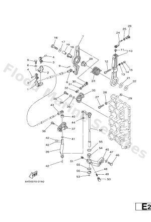
CONTROL
-
CRANKSHAFT & PISTON
-
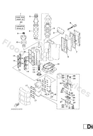
CYLINDER & CRANKCASE 1
-
CYLINDER & CRANKCASE 2
-
ELECTRICAL 1
-
ELECTRICAL 2
-
FUEL 1
-
FUEL 2
-
GENERATOR
-
INTAKE
-
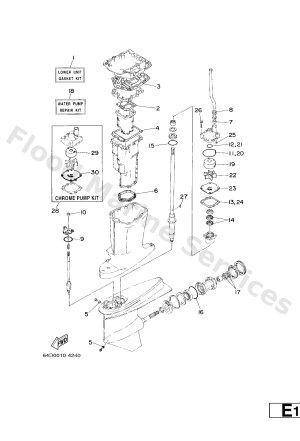
LOWER CASING & DRIVE 1
-
LOWER CASING & DRIVE 2
-
LOWER CASING & DRIVE 3
-
LOWER CASING & DRIVE 4
-
METER
-
OIL PUMP
-
OIL TANK
-
POWER TRIM & TILT ASSY 1
-
POWER TRIM & TILT ASSY 2
-
REMOTE CONTROL ASSY 1
-
REMOTE CONTROL ASSY 2
-
REMOTE CONTROL BOX
-
REPAIR KIT 1
-
REPAIR KIT 2
-
STARTING MOTOR
-
STEERING GUIDE ATTACHMENT 1 DIRECTION GUIDE ACCESSOIRE 1
-
STEERING GUIDE ATTACHMENT 2 DIRECTION GUIDE ACCESSOIRE 2
-
SWITCH & PANEL
-
TOP COWLING
-
UPPER CASING