Diagram Sections: 200GETOL (1996)
Download as PDF-
Bottom Cowling
-
Bracket 1
-
Bracket 2
-
Carburetor
-
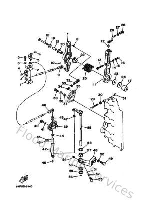
Control
-
Crankshaft & Piston
-
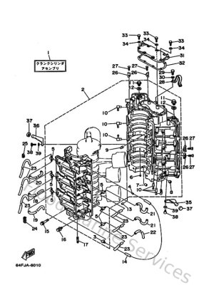
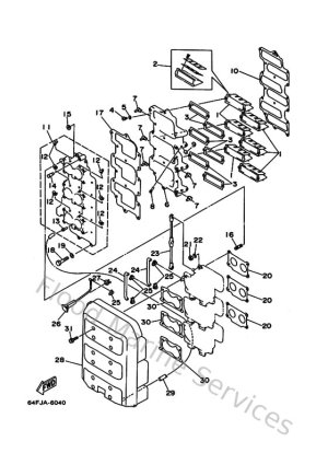
Cylinder & Crankcase 1
-
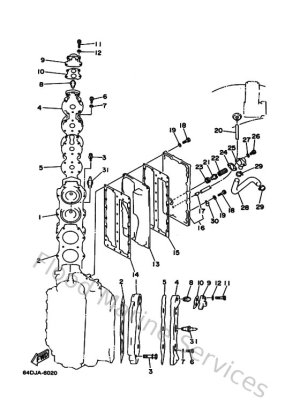
Cylinder & Crankcase 2
-
Demarreur Electrique
-
Fuel
-
Generator
-
Intake
-
Kits De Reparation 1
-
Kits De Reparation 2
-
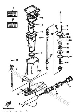
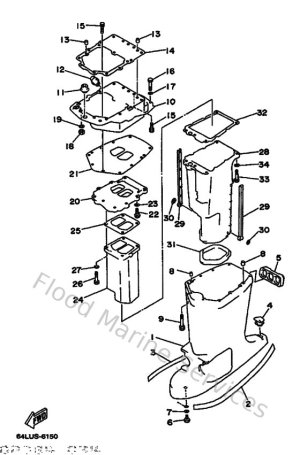
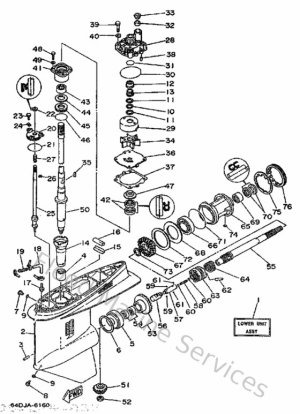
Lower Casing & Drive
-
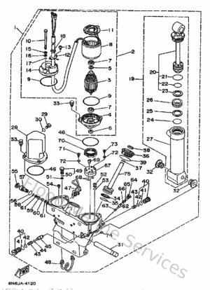
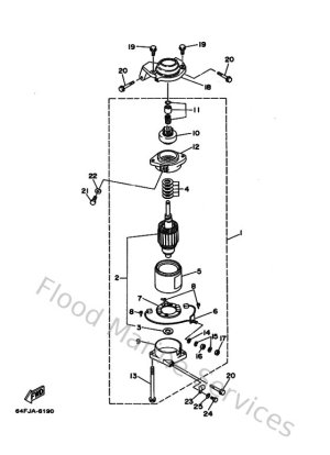
Oil Pump
-
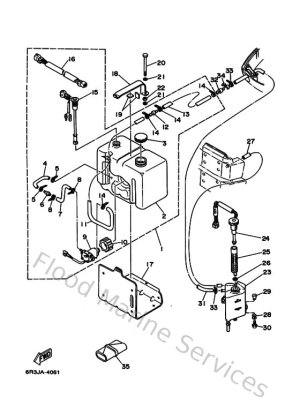
Oil Tank
-
Partie Electrique 1
-
Partie Electrique 2
-
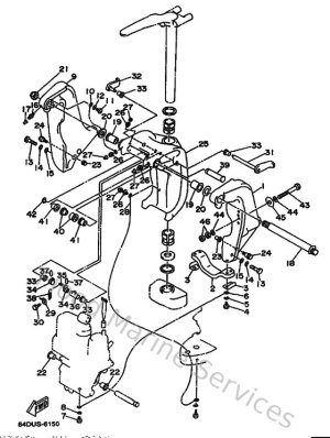
Power Trim & Tilt Assy
-
Top Cowling
-
Upper Casing