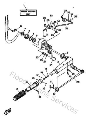
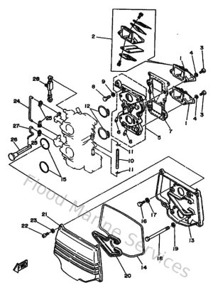
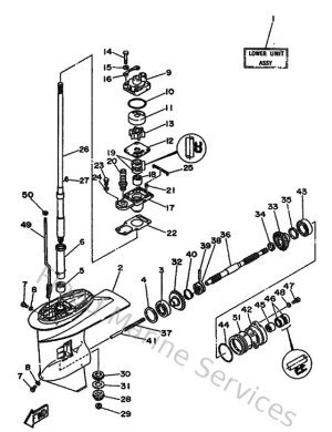
Diagram Sections: 20DEM (1993)

Download as PDF