Diagram Sections: 20DEO (1992)
Download as PDF-
Alternate 1
-
Alternate 2
-
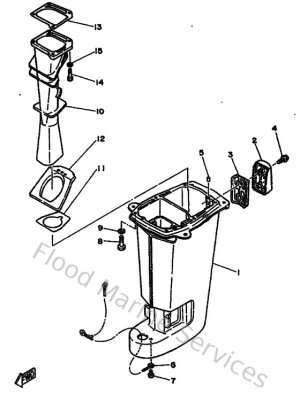
Bottom Cowling
-
Bracket 1
-
Bracket 2
-
Carburetor
-
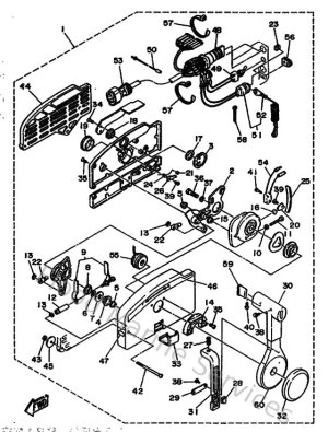
Control
-
Crankshaft & Piston
-
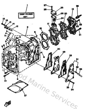
Cylinder & Crankcase
-
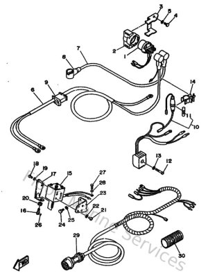
Electrical 1
-
Fuel
-
Intake
-
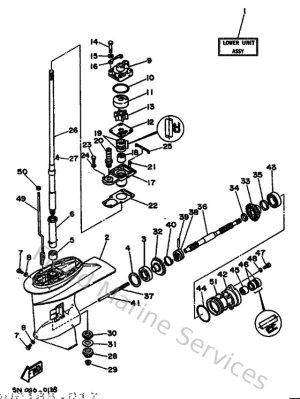
Lower Casing & Drive 1
-
Lower Casing & Drive 2
-
Magneto
-
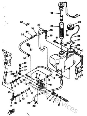
Oil Pump
-
Optional Parts 1
-
Optional Parts 2
-
Optional Parts 3
-
Optional Parts 4
-
Remo Con Attachment
-
Remote Control
-
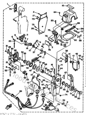
Remote Control Assy 1
-
Repair Kit 1
-
Repair Kit 2
-
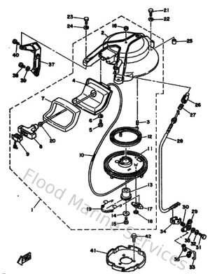
Starter
-
Steering
-
Steering Guide
-
Top Cowling
-
Upper Casing