Diagram Sections: 20DMHO (1989)
Download as PDF-
Alternate 1 (20DE0/25NE0 MODEL)
-
Alternate 2 ((20DEO/25NEO MODEL)
-
Alternate 3 (20DEO/25NEO MODEL)
-
Bottom Cowling
-
Bracket 1
-
Bracket 2
-
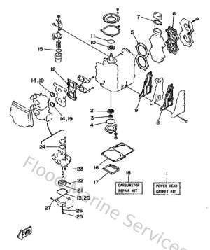
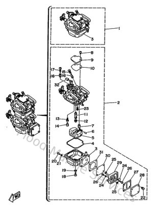
Carburetor
-
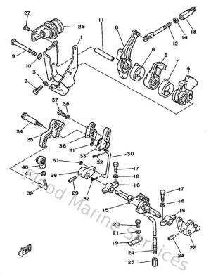
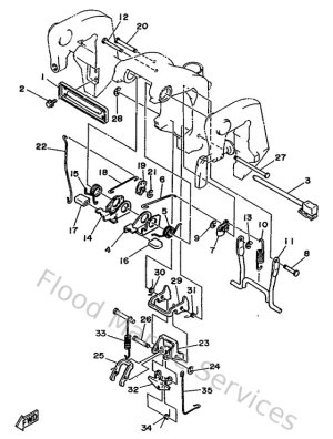
Control
-
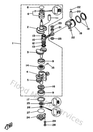
Crankshaft & Piston
-
Cylinder. Crankcase
-
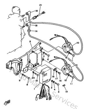
Electrical 1
-
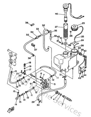
Fuel
-
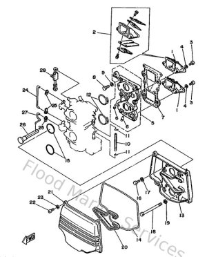
Intake
-
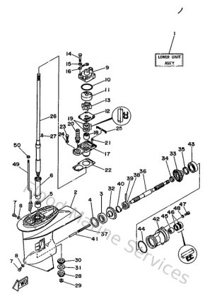
Lower Casing Drive 1
-
Lower Casing. Drive 2
-
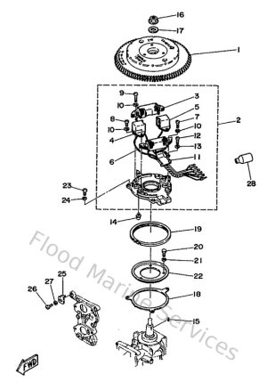
Magneto
-
Oil Pump
-
Optional Parts 1
-
Optional Parts 2
-
Optional Parts 3
-
Optional Parts 4
-
Remo-con Attachment
-
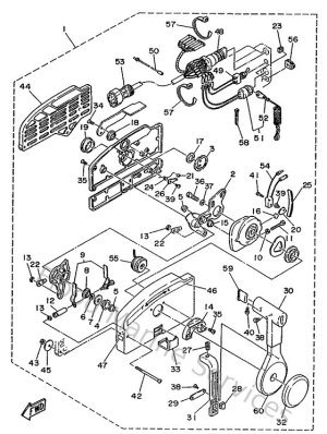
Remote Control
-
Remote Control Assy 1
-
Repair Kit 1
-
Repair Kit 2
-
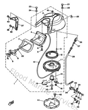
Starter
-
Steering
-
Steering Guide Attachment
-
Top Cowling
-
Upper Casing