New Search
Parts
New Outboards
Diagram Sections: 20DMHO (1998)
Download as PDF
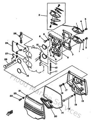
Bottom Cowling
Bracket 1
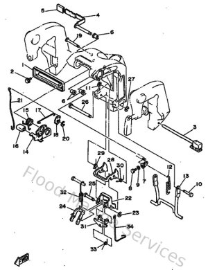
Bracket 2
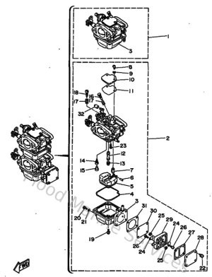
Carburetor
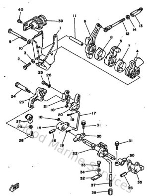
Controller 1
Crankshaft & Piston
Cylinder & Crankcase
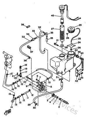
Fuel
Intake
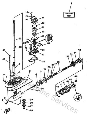
Lower Casing & Drive
Oil Pump
Starter
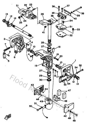
Steering
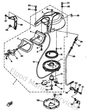
Top Cowling
Upper Casing