Diagram Sections: 225BETOL (1991)
Download as PDF-
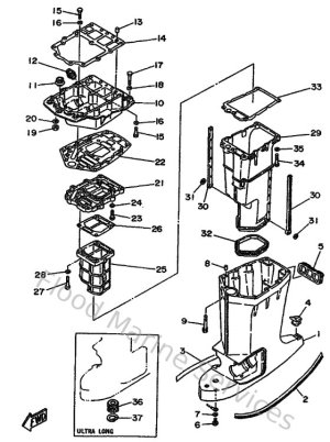
Bottom Cowling
-
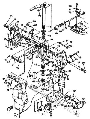
Bracket 1
-
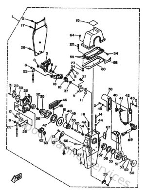
Bracket 2
-
Carburetor
-
Control
-
Crankshaft & Piston
-
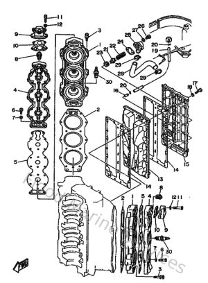
Cylinder & Crankcase 1
-
Cylinder & Crankcase 2
-
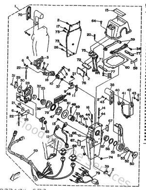
Electrical 1
-
Electrical 2
-
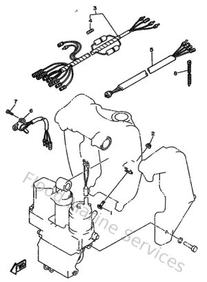
Electrical 3
-
Fuel 1
-
Fuel 2
-
Generator
-
Intake
-
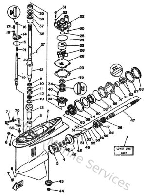
Lower Casing & Drive 1
-
Lower Casing & Drive 2
-
Oil Pump
-
Oil Tank
-
Optional Parts
-
Optional Parts 1
-
Optional Parts 2
-
Optional Parts 3
-
Optional Parts 4
-
Optional Parts 5
-
Optional Parts 6
-
Power Trim & Tilt Assy
-
Remote Control
-
Remote Control Assy
-
Remote Control Assy 2
-
Remote Control Assy 3
-
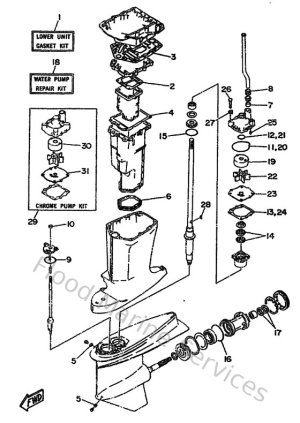
Repair Kit 1
-
Repair Kit 2
-
Starting Motor
-
Steering Guide Attachment 1
-
Top Cowling
-
Upper Casing