Diagram Sections: 225DETOL (1996)
Download as PDF-
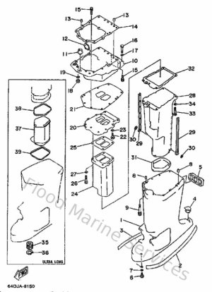
Bottom Cowling
-
Bracket 1
-
Bracket 2
-
Carburetor
-
Control
-
Crankshaft & Piston
-
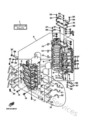
Cylinder & Crankcase 1
-
Cylinder & Crankcase 2
-
Demarreur Electrique
-
Fuel
-
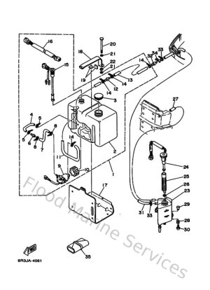
Fuel Tank
-
Generatrice
-
Intake
-
Kits De Reparation 1
-
Kits De Reparation 2
-
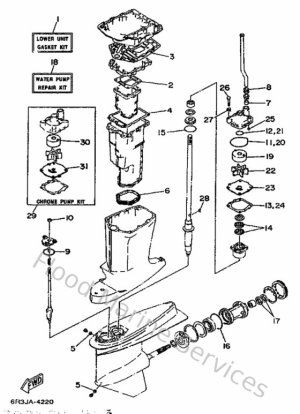
Lower Casing & Drive
-
Oil Pump
-
Partie Electrique 1
-
Partie Electrique 2
-
Power Trim & Tilt Assy
-
Top Cowling
-
Upper Casing