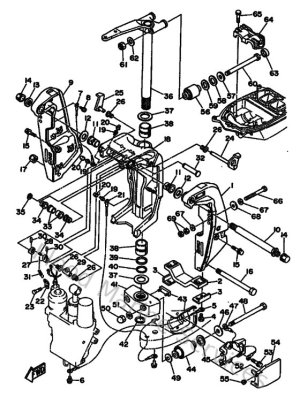
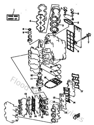
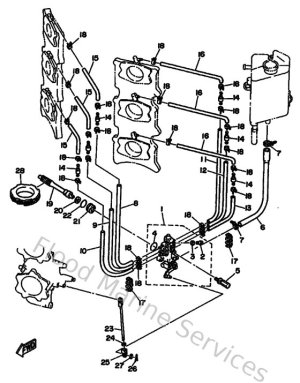
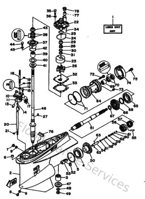
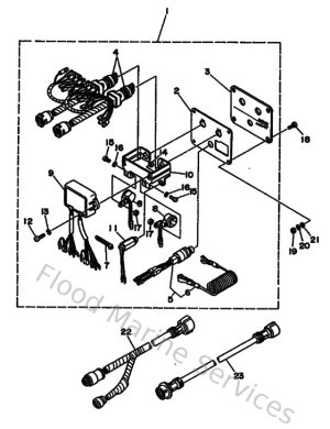
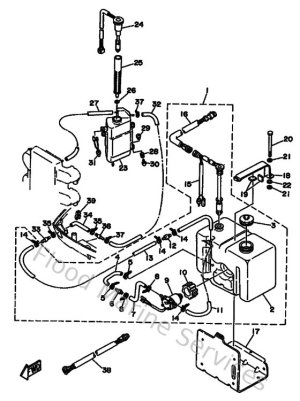
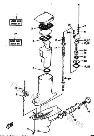
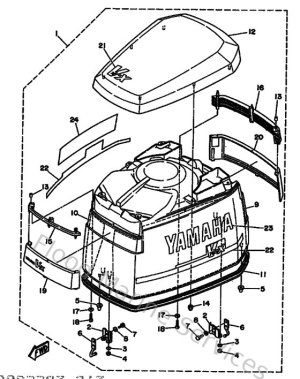
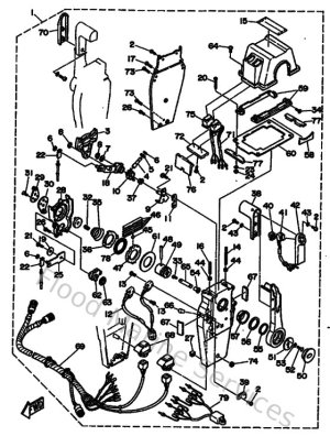
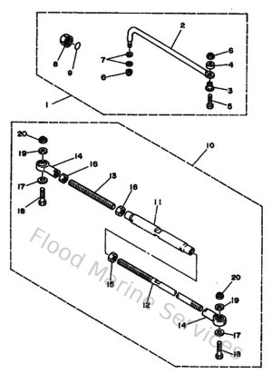
Diagram Sections: 250AETOXLX (1991)

Download as PDF