Diagram Sections: 250AETOXLX (1995)
Download as PDF-
Allumage Electronique
-
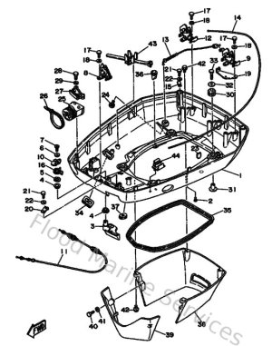
Bottom Cowling
-
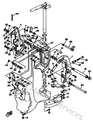
Bracket 1
-
Bracket 2
-
Carburetor
-
Controller 1
-
Crankshaft & Piston
-
Cylinder & Crankcase 1
-
Cylinder & Crankcase 2
-
Demarreur Electrique
-
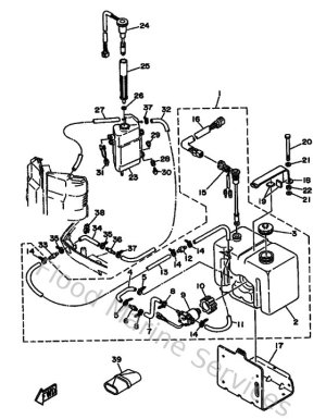
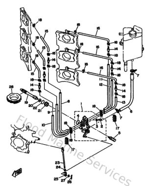
Fuel 1
-
Fuel 2
-
Intake
-
Kits De Reparation 1
-
Kits De Reparation 2
-
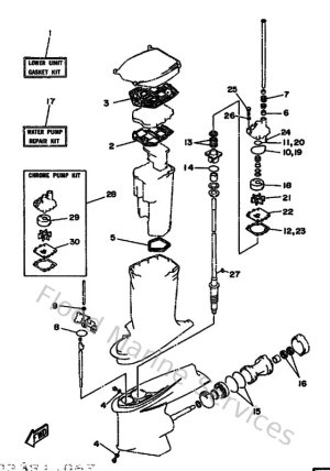
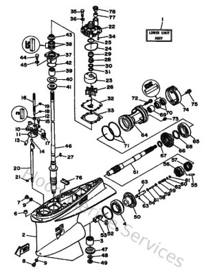
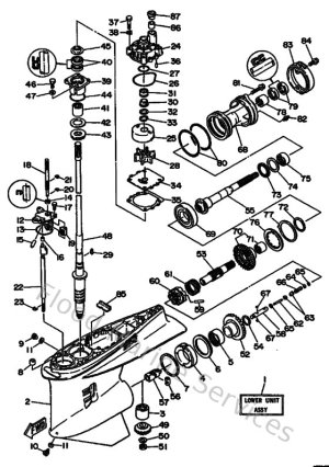
Lower Casing & Drive
-
Oil Pump
-
Oil Tank
-
Optionnelles 1
-
Optionnelles 2
-
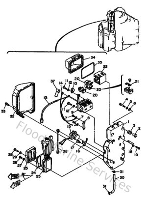
Partie Electrique 1
-
Partie Electrique 2
-
Partie Electrique 3
-
Partie Electrique 4
-
Power Trim & Tilt Assy
-
Repair Kit 3
-
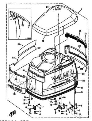
Top Cowling
-
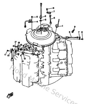
Upper Casing