Diagram Sections: 250AETOXLX (1996)
Download as PDF-
Alternate 1
-
Alternate 2
-
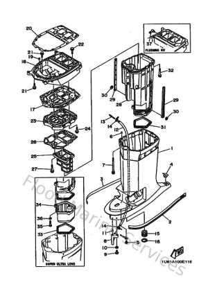
Bottom Cowling
-
Bracket 1
-
Bracket 2
-
Carburetor
-
Control
-
Crankshaft & Piston
-
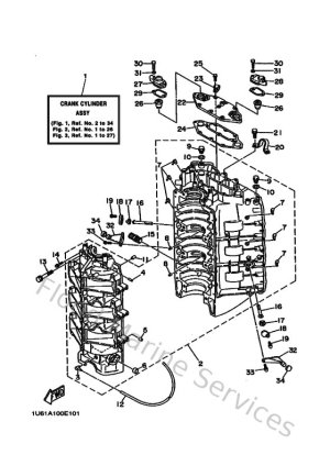
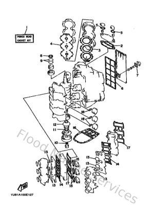
Cylinder & Crankcase 1
-
Cylinder & Crankcase 2
-
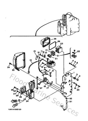
Electrical 1
-
Electrical 2
-
Electrical 3
-
Electrical 4
-
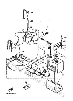
Fuel 1
-
Fuel 2
-
Intake
-
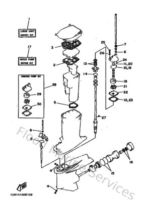
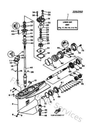
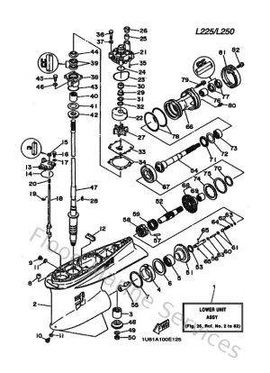
Lower Casing & Drive 1
-
Lower Casing & Drive 2
-
Magneto
-
Oil Pump
-
Oil Tank
-
Power Trim & Tilt Assy 1
-
Repair Kit 1
-
Repair Kit 2
-
Repair Kit 3
-
Starting Motor
-
Top Cowling
-
Upper Casing