Diagram Sections: 250AETOXLX (2001)
Download as PDF-
Bottom Cowling
-
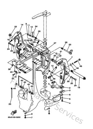
Bracket 1
-
Bracket 2
-
Carburetor
-
Control
-
Crankshaft & Piston
-
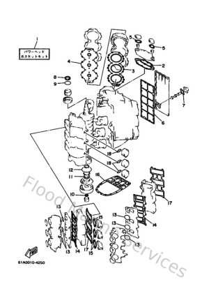
Cylinder & Crankcase
-
Cylinder & Crankcase 2
-
Electrical 1
-
Electrical 2
-
Electrical 3
-
Electrical 4
-
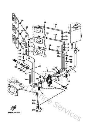
Fuel
-
Fuel 2
-
Fuel 3
-
Generator
-
Intake
-
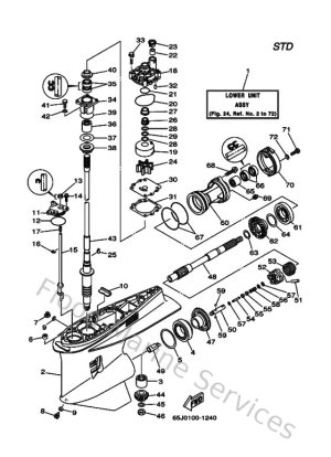
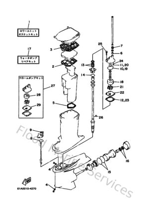
Lower Casing & Drive 1
-
Lower Casing & Drive 2
-
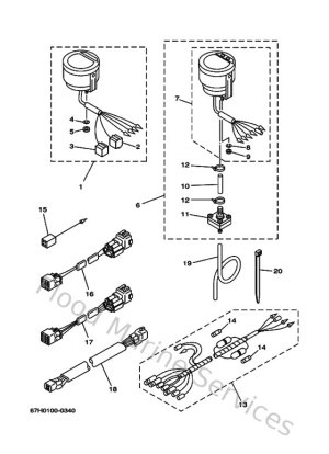
Meter
-
Oil Pump
-
Oil Tank
-
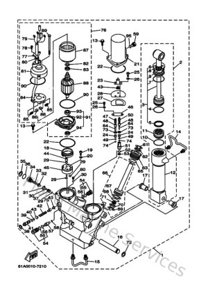
Power Trim & Tilt Assy
-
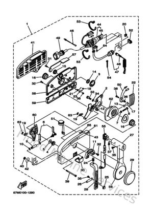
Remote Control Assy 1
-
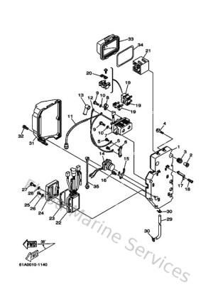
Remote Control Box
-
Repair Kit 1
-
Repair Kit 2
-
Repair Kit 3
-
Starting Motor
-
Steering Guide Attachment 1
-
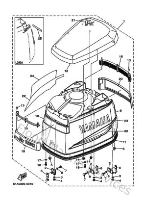
Top Cowling
-
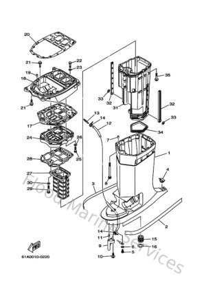
Upper Casing