Diagram Sections: 250BETOXL (2001)
Download as PDF-
Bottom Cowling
-
Bracket 1
-
Bracket 2
-
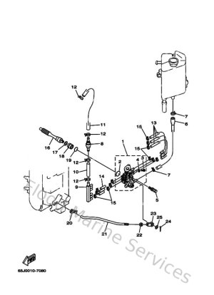
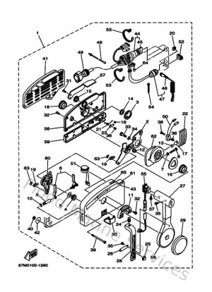
Control
-
Crankshaft & Piston
-
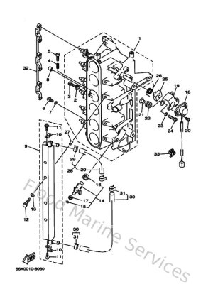
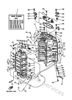
Cylinder & Crankcase
-
Cylinder & Crankcase 2
-
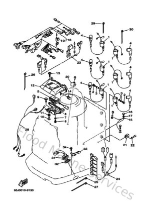
Electrical 1
-
Electrical 2
-
Electrical 3
-
Electrical 4
-
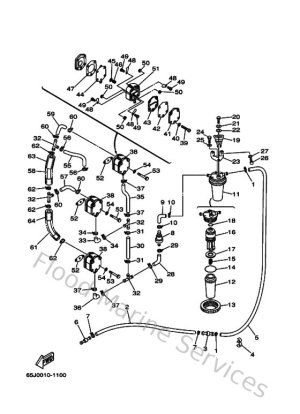
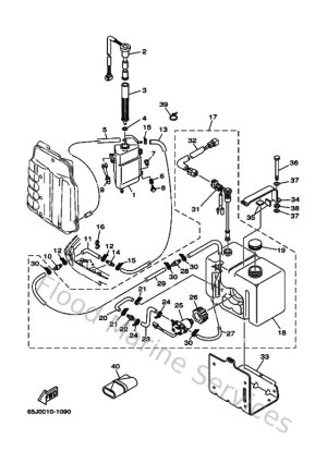
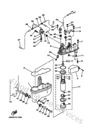
Fuel
-
Fuel 2
-
Fuel Injection Nozzle
-
Fuel Injection Pump
-
Generator
-
Intake
-
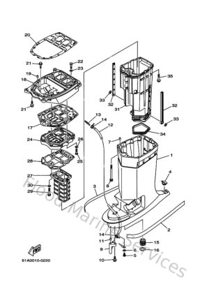
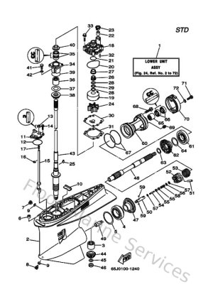
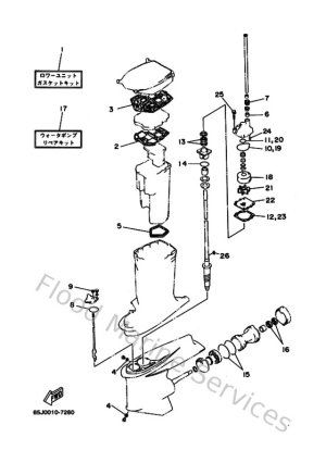
Lower Casing & Drive 1
-
Lower Casing & Drive 2
-
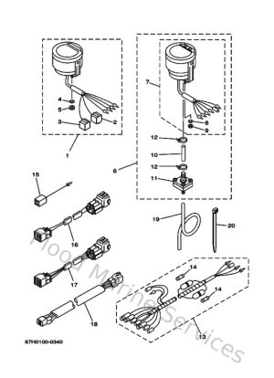
Meter
-
Oil Pump
-
Oil Tank
-
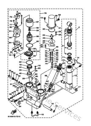
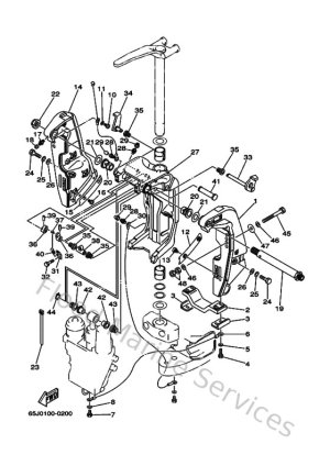
Power Trim & Tilt Assy
-
Remote Control Assy 1
-
Remote Control Box
-
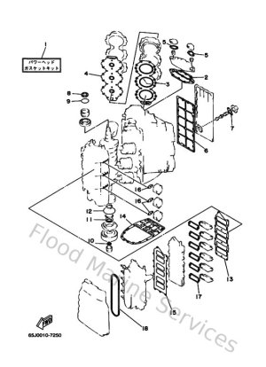
Repair Kit 1
-
Repair Kit 2
-
Starting Motor
-
Steering Guide Attachment 1
-
Top Cowling
-
Upper Casing