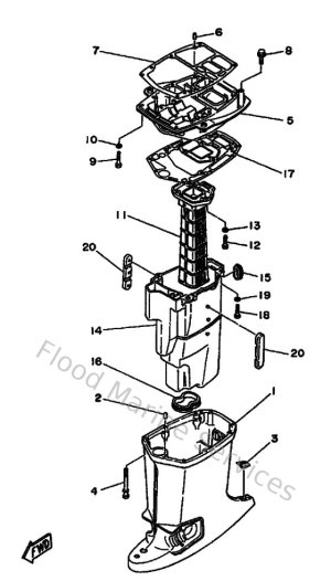
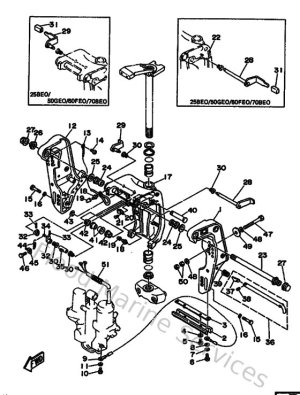
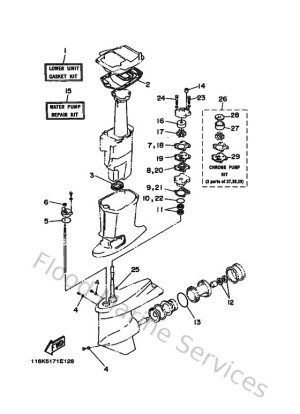
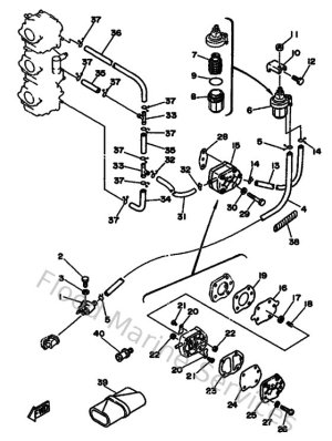
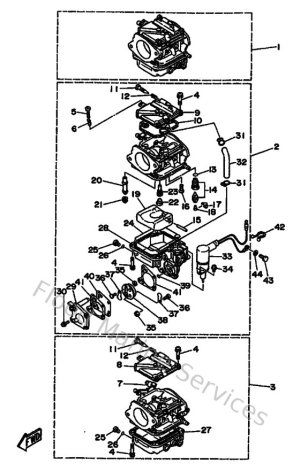
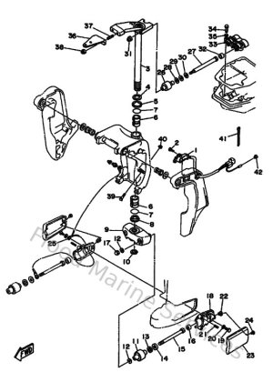
Diagram Sections: 25BMH (1994)

Download as PDF