Diagram Sections: 25BWC (2005)
Download as PDF-
BOTTOM COWLING
-
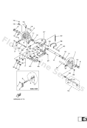
BRACKET 1
-
BRACKET 2
-
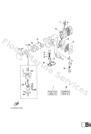
CARBURETOR
-
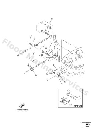
CONTROL 1
-
CONTROL 2
-
CRANKSHAFT & PISTON
-
CYLINDER & CRANKCASE
-
ELECTRICAL 1
-
ELECTRICAL 2
-
ELECTRICAL 3
-
ELECTRICAL 4
-
FUEL
-
FUEL TANK
-
GENERATOR
-
INTAKE
-
LOWER CASING & DRIVE 1
-
LOWER CASING & DRIVE 2
-
REMO CON ATTACHMENT
-
REMOTE CONTROL ASSY 1
-
REMOTE CONTROL ASSY 2
-
REMOTE CONTROL BOX
-
REPAIR KIT 1
-
REPAIR KIT 2
-
STARTER
-
STARTING MOTOR
-
STEERING
-
STEERING GUIDE
-
SWITCH & PANEL
-
TOP COWLING
-
UPPER CASING