New Search
Parts
New Outboards
Diagram Sections: 25DMH (1990)
Download as PDF
Bottom Cowling
Bracket
Control
Crankshaft & Piston
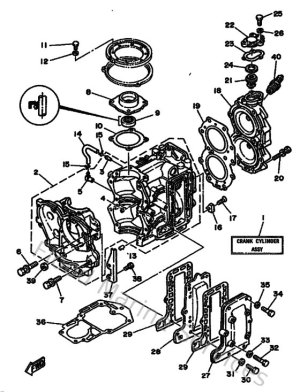
Cylinder & Crankcase
Electrical
Fuel
Intake
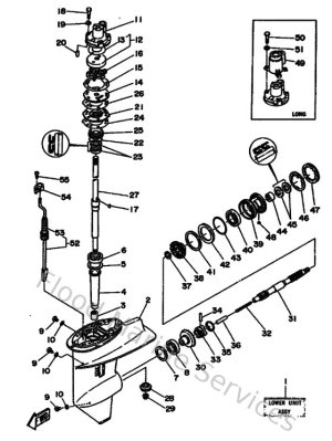
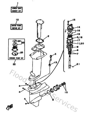
Lower Casing & Drive 1
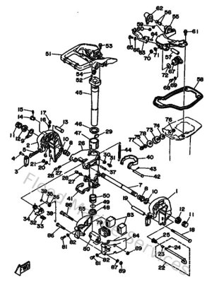
Lower Casing & Drive 2
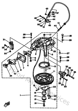
Magneto
Optional Parts 1
Optional Parts 2
Repair Kit 1
Repair Kit 2
Starter
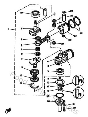
Steering
Top Cowling
Upper Casing