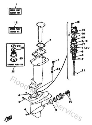
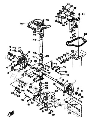
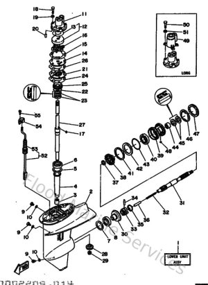
Diagram Sections: 25DMH (1992)

Download as PDF