New Search
Parts
New Outboards
Diagram Sections: 25DMH (1998)
Download as PDF
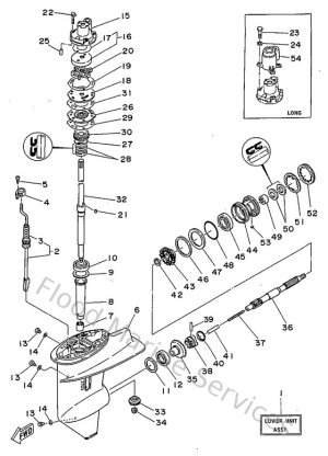
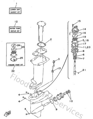
Boitier Dhelice, Transmissio
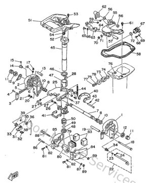
Bracket 1
Capot Infprieur
Capot Supprieur
Controle
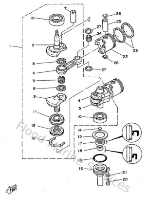
Crankshaft & Piston
Cylinder. Crankcase
Electrical 1
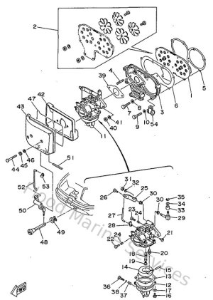
Fuel
Generator
Intake
Repair Kit 1
Repair Kit 2
Starter
Steering
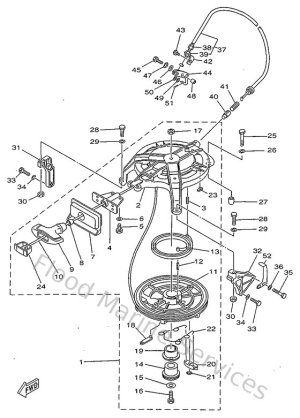
Upper Casing