New Search
Parts
New Outboards
Diagram Sections: 25NWH (1999)
Download as PDF
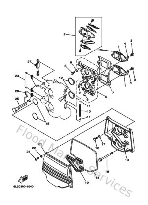
Bottom Cowling
Bracket 1
Bracket 2
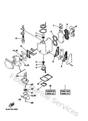
Carburetor
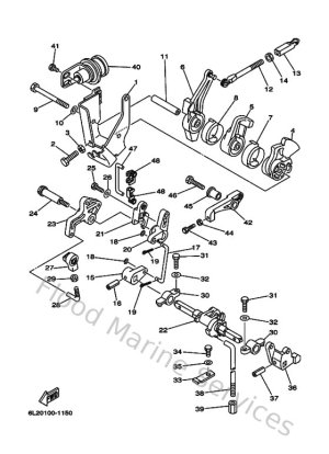
Control
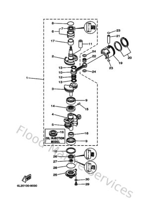
Crankshaft & Piston
Cylinder & Crankcase
Electrical 1
Fuel
Fuel 2
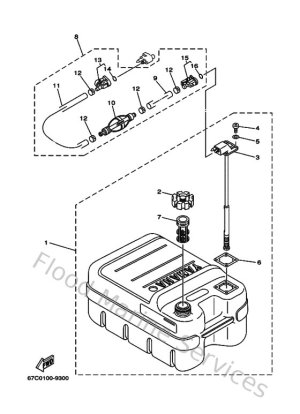
Fuel Tank
Generator
Intake
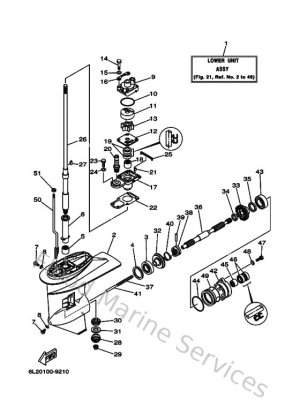
Lower Casing & Drive 1
Lower Casing & Drive 2
Repair Kit 1
Repair Kit 2
Starter
Steering
Top Cowling
Upper Casing