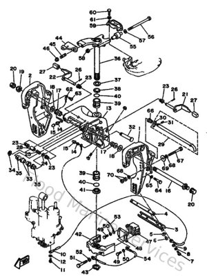
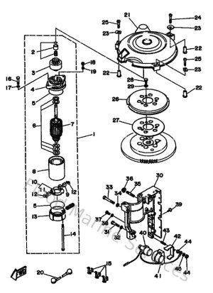
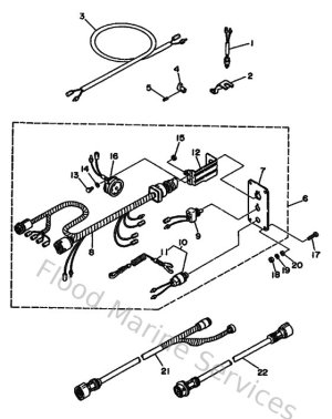
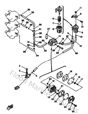
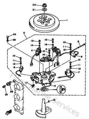
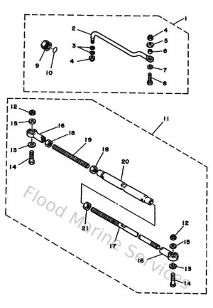
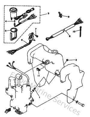
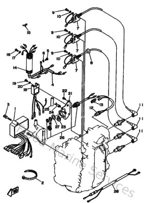
Diagram Sections: 25QEO (1990)

Download as PDF