Diagram Sections: 25QEO (1994)
Download as PDF-
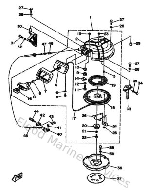
Bottom Cowling
-
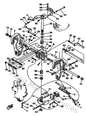
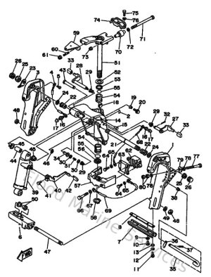
Bracket 1
-
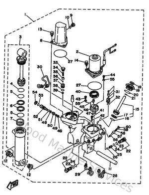
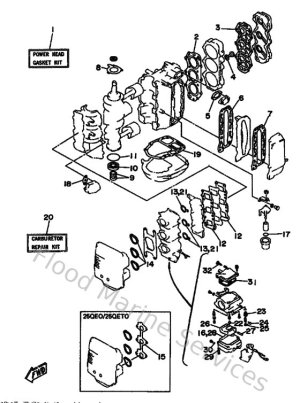
Carburetor
-
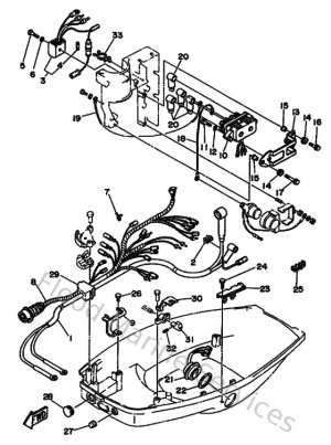
Control
-
Crankshaft & Piston
-
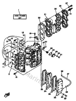
Cylinder & Crankcase
-
Fuel 1
-
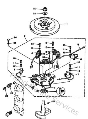
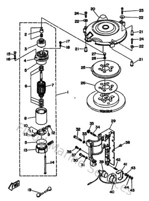
Generator
-
Intake
-
Kits De Reparation 1
-
Kits De Reparation 2
-
Lower Casing & Drive
-
Oil Pump
-
Optionnelles 1
-
Optionnelles 2
-
Optionnelles 3
-
Optionnelles 4
-
Optionnelles 5
-
Optionnelles 6
-
Optionnelles 7
-
Optionnelles 8
-
Optionnelles 9
-
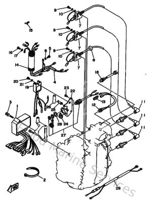
Partie Electrique 1
-
Starter
-
Top Cowling
-
Upper Casing