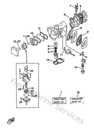
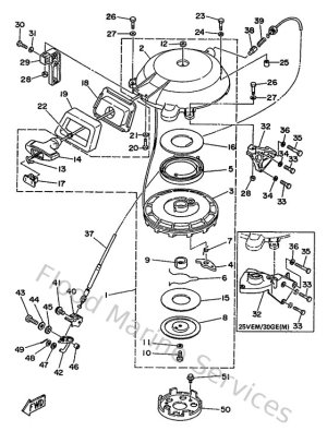
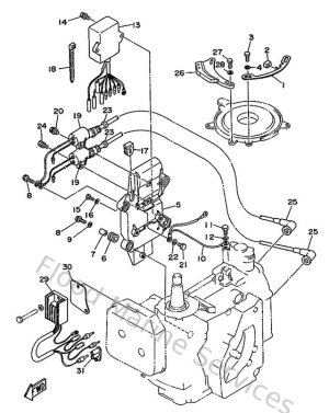
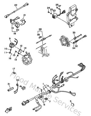
Diagram Sections: 25QEO (1996)

Download as PDF