New Search
Parts
New Outboards
Diagram Sections: 25VMH (1996)
Download as PDF
Bottom Cowling
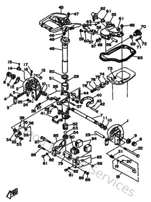
Bracket 1
Carburetor
Control
Crankshaft & Piston
Cylinder & Crankcase
Fuel
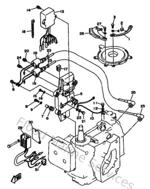
Generator
Intake
Kits De Reparation 1
Kits De Reparation 2
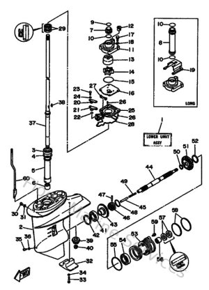
Lower Casing & Drive
Optionnelles 1
Optionnelles 2
Optionnelles 3
Partie Electrique 1
Starter
Steering
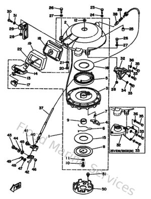
Top Cowling
Upper Casing