New Search
Parts
New Outboards
Diagram Sections: 25VMH (2001)
Download as PDF
Bottom Cowling
Bracket 1
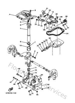
Bracket 2
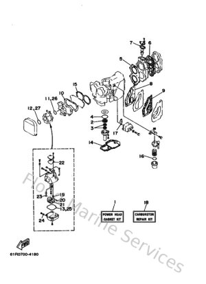
Carburetor
Control
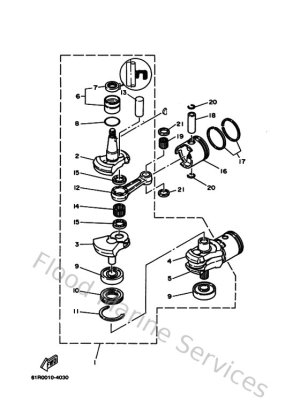
Crankshaft & Piston
Cylinder & Crankcase
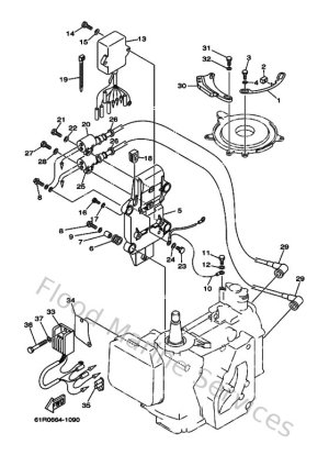
Electrical 1
Fuel
Fuel Tank
Fuel Tank 2
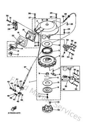
Generator
Intake
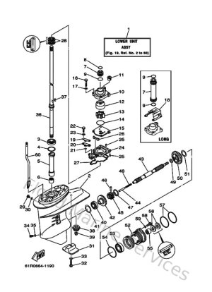
Lower Casing & Drive 1
Lower Casing & Drive 2
Repair Kit 1
Repair Kit 2
Starter
Steering
Top Cowling
Upper Casing