New Search
Parts
New Outboards
Diagram Sections: 2BMH (1987)
Download as PDF
Bracket
Carburetor
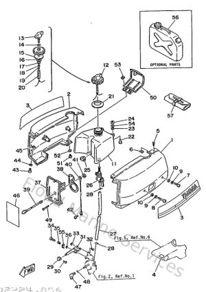
Cowling & Fuel
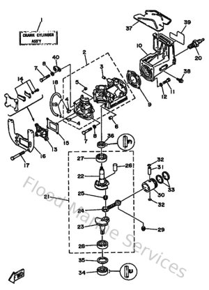
Crankcase, Cylinder & Piston
Cylinder & Crankcase
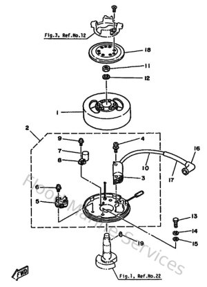
Flywheel & Magneto
Flywheel Housing
Lower & Drive
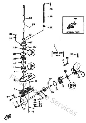
Lower Casing & Drive
Repair Kit
Starter
Upper Casing