New Search
Parts
New Outboards
Diagram Sections: 2BMH (1988)
Download as PDF
Bracket 1
Carburetor
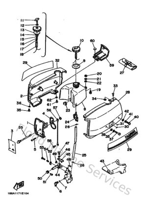
Cowling & Fuel
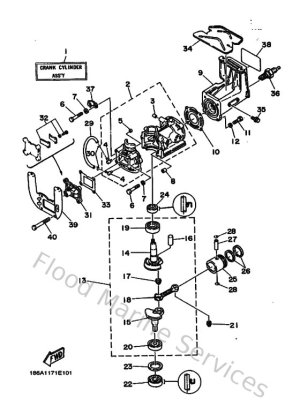
Cylinder & Crankcase
Generator
Lower Casing & Drive
Repair Kit
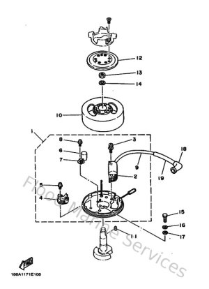
Starter
Upper Casing