New Search
Parts
New Outboards
Diagram Sections: 2BMH (1996)
Download as PDF
Bracket 1
Carburetor
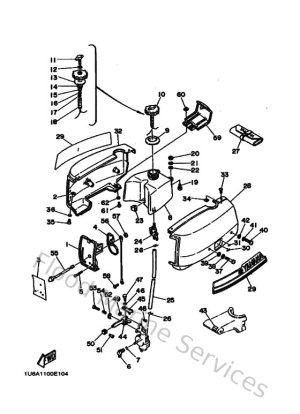
Cowling & Fuel
Cylinder & Crankcase
Generator
Lower Casing & Drive 1
Repair Kit
Starter
Upper Casing