New Search
Parts
New Outboards
Diagram Sections: 30AMH (1992)
Download as PDF
Bottom Cowling
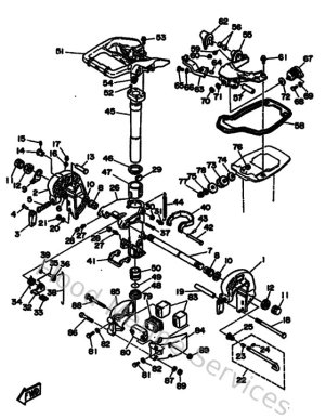
Bracket
Control
Crankshaft & Piston
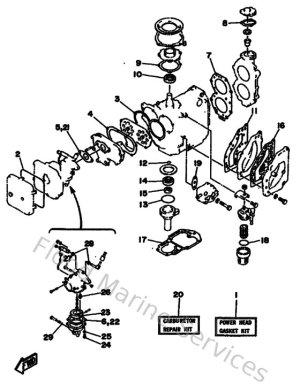
Cylinder & Crankcase
Electrical
Fuel
Intake
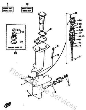
Lower Casing & Drive 1
Lower Casing & Drive 2
Magneto
Optional Parts 1
Optional Parts 2
Repair Kit 1
Repair Kit 2
Starter
Steering
Top Cowling
Upper Casing