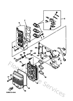
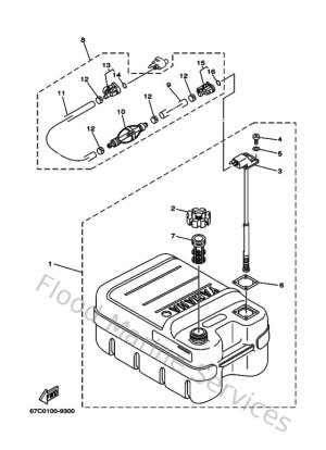
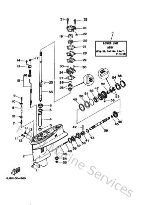
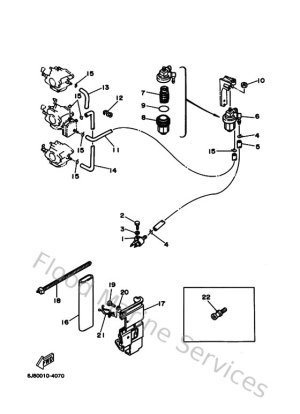
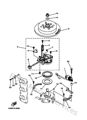
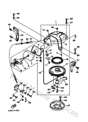
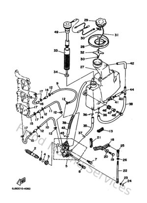
Diagram Sections: 30DEO (1999)

Download as PDF