Diagram Sections: 30DMH (1986)
Download as PDF-
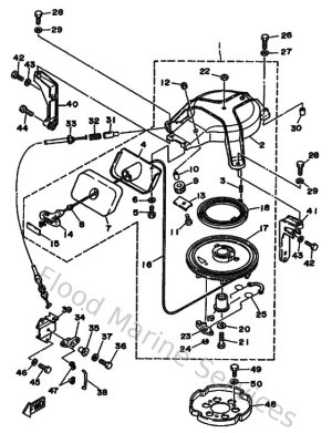
Bottom Cowling
-
Bracket 1
-
Bracket 2
-
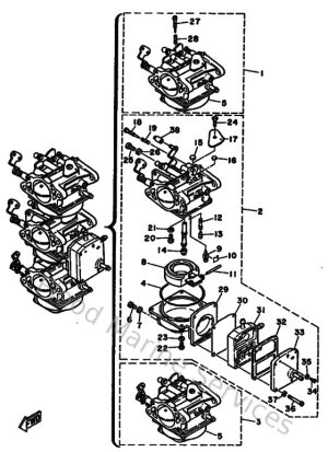
Carburetor
-
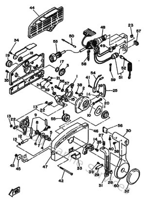
Control
-
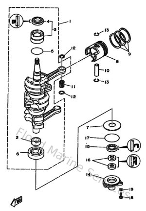
Crankshaft & Piston
-
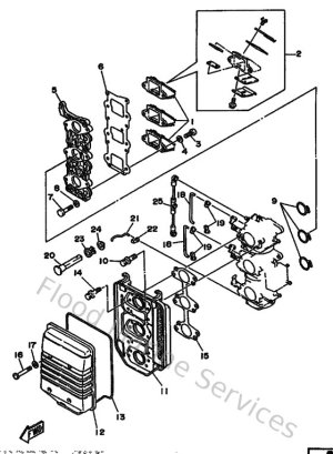
Cylinder & Crankcase
-
Electric Parts
-
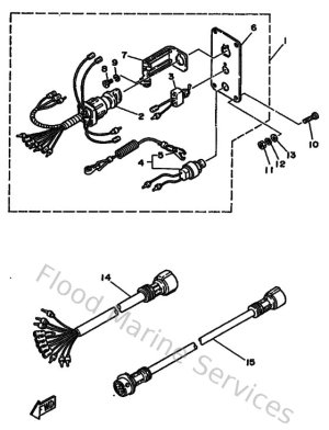
Electrical 1
-
Electrical 2
-
Fuel
-
Generator
-
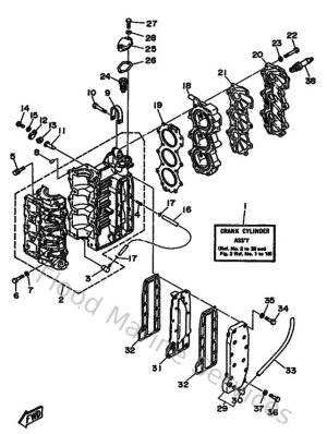
Intake
-
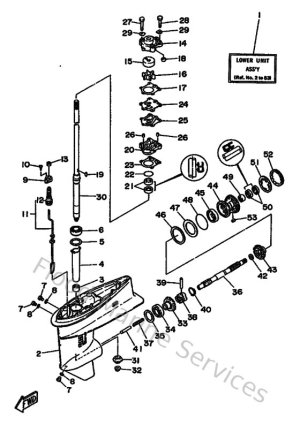
Lower Casing & Drive 1
-
Lower Casing & Drive 2
-
Optional Parts 1
-
Optional Parts 2
-
Optional Parts 3
-
Remo Con Attachment
-
Remote Control
-
Remote Control Assy
-
Repair Kit
-
Starter
-
Starting Motor
-
Steering
-
Steering Guide
-
Top Cowling
-
Upper Casing