New Search
Parts
New Outboards
Diagram Sections: 30DMHO (1998)
Download as PDF
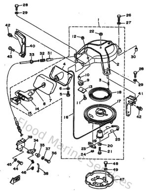
Bottom Cowling
Bracket 1
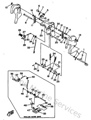
Bracket 2
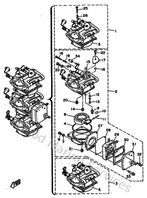
Carburetor
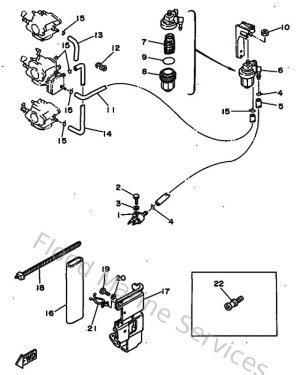
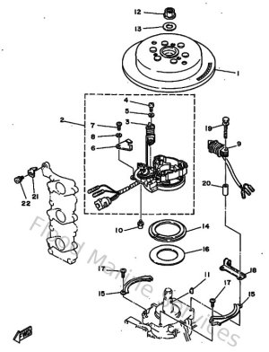
Controller 1
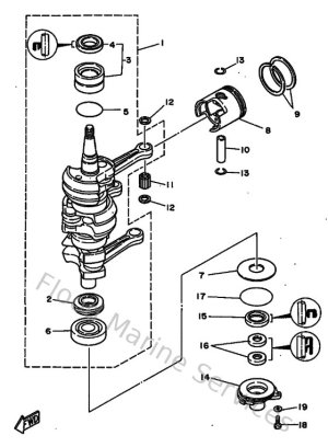
Crankshaft & Piston
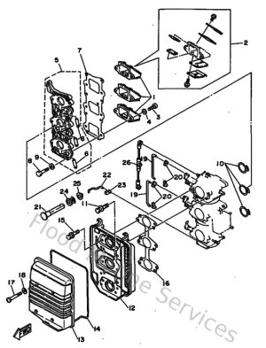
Cylinder & Crankcase
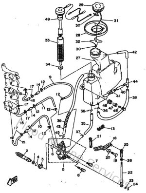
Fuel
Generatrice
Intake
Kits De Reparation 1
Kits De Reparation 2
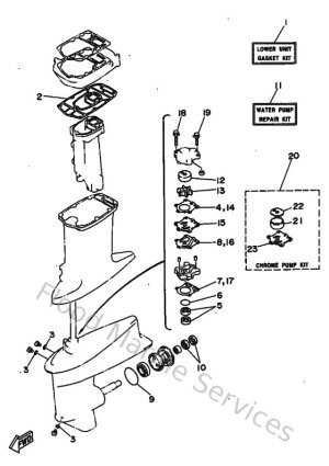
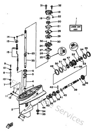
Lower Casing & Drive
Oil Pump
Optionnelles 1
Optionnelles 2
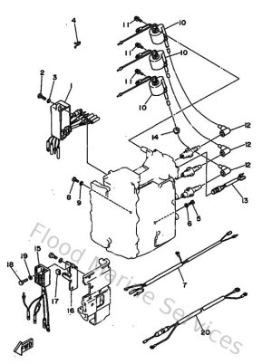
Partie Electrique 1
Starter
Steering
Top Cowling
Upper Casing