New Search
Parts
New Outboards
Diagram Sections: 30GMH (2000)
Download as PDF
BOTTOM COWLING
BRACKET
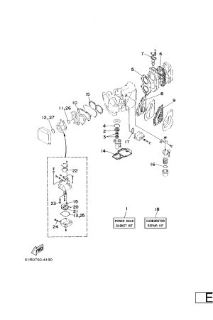
CARBURETOR
CONTROL
CRANKSHAFT. PISTON
CYLINDER. CRANKCASE
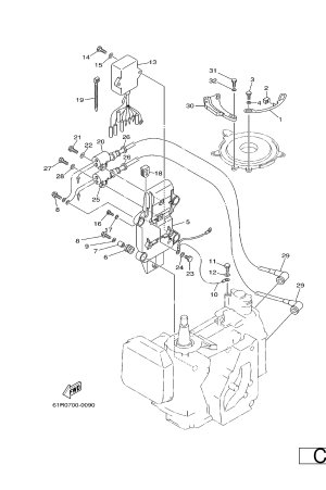
ELECTRICAL
FUEL
FUEL TANK
GENERATOR
INTAKE
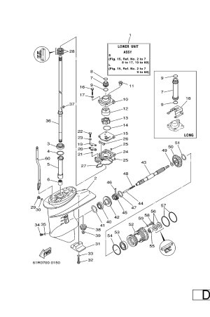
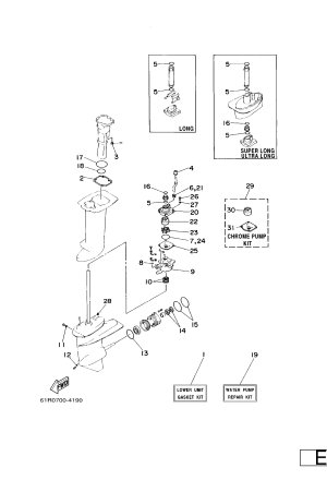
LOWER CASING. DRIVE 1
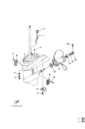
LOWER CASING. DRIVE 2
REPAIR KIT 1
REPAIR KIT 2
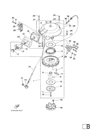
STARTER
STEERING
TOP COWLING
UPPER CASING