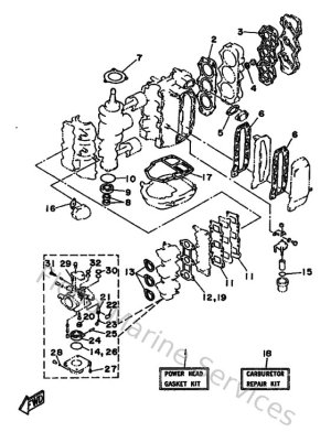
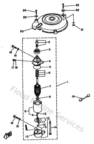
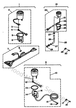
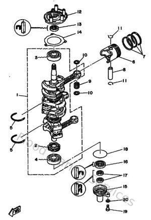
Diagram Sections: 40HM (1988)

Download as PDF