Diagram Sections: 40HM (1990)
Download as PDF-
Alternate 1
-
Alternate 2
-
Alternate 3
-
Alternate 4
-
Alternate 5
-
Alternate 6
-
Alternate 7
-
Bottom Cowling
-
Bracket 1
-
Bracket 2
-
Carburetor
-
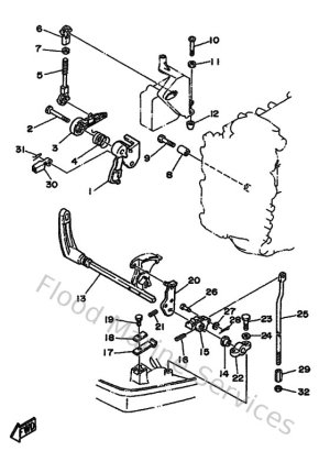
Control
-
Crankshaft & Piston
-
Cylinder & Crankcase
-
Electrical
-
Fuel
-
Fuel 2
-
Intake
-
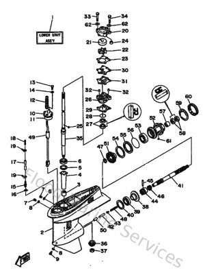
Lower Casing & Drive 1
-
Lower Casing & Drive 2
-
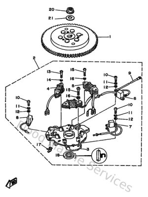
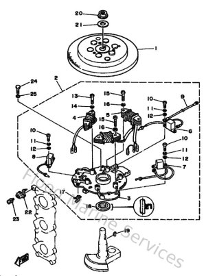
Magneto
-
Oil Pump
-
Optional Parts 1
-
Optional Parts 2
-
Optional Parts 3
-
Optional Parts 4
-
Optional Parts 5
-
Remote Control
-
Remote Control Assy 1
-
Remote Control Assy 2
-
Repair Kit 1
-
Repair Kit 2
-
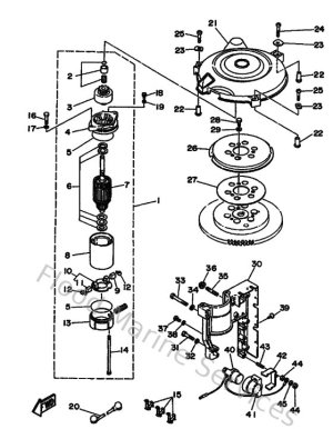
Starter
-
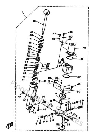
Steering
-
Steering Guide
-
Top Cowling
-
Upper Casing