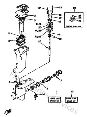
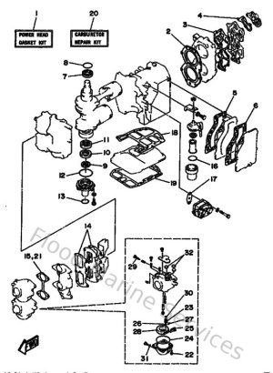
Diagram Sections: 40QMH (1992)

Download as PDF